Here is a video of the whole process of step by step instructions on how to install a rafter bracket beamLyft. We also show the final product of the patio that we built.
https://vimeo.com/alumawoodproducts
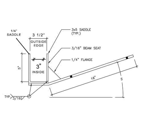
Standard slopes include 4/12, 5/12, and 6/12 but we also have custom beamltyfts available if you need a certain size.
Beamltyfts are a perfect way to raise your Alumawood patio cover and for low eaves. They provide extra support to your patio, water drainage, design flexibility which allows you to create a patio that perfectly matches your outdoor space.
Video showing rafter bracket 5/12 BeamLyft
We have more videos and photos on our Alumawood products page if you are interested: https://alumawoodproducts.com/beamlyft/




